矿渣微粉生产线
周先生:13906278080
电话:0513-88400999 传真:0513-88400998 邮箱:13906278080@139.com

一部分、矿渣微粉生产线配套设备概述
一、矿渣微粉生产线配套设备介绍
|
序号 |
用途 |
生产线规模 |
配套设备规模 |
产量(吨/小时) |
设备简单 描述 |
|
1 |
用于高炉矿渣 微粉生产 |
30万吨/年 |
ZKMK-35.2.2X |
45-50 |
35.2.2X |
|
2 |
用于高炉矿渣 微粉生产 |
60万吨/年 |
ZKMK-46.2.2X |
90-95 |
46.2.2X |
|
3 |
用于高炉矿渣 微粉生产 |
80万吨/年 |
ZKMK-56.2.2X |
120-125 |
56.2.2X |
|
4 |
用于高炉矿渣 微粉生产 |
100万吨/年 |
ZKMK-56.3.3X |
145-150 |
56.3.3X |
高炉矿渣是冶炼生铁时从高炉中排出的一种废渣。
由于炼铁原料品种和成分的变化以及操作工艺因素的影响,矿渣的组成和性质也不同。按照冶炼生铁的品种,高炉矿渣可分为铸造生铁矿渣、炼钢生铁矿渣和特种生铁矿渣。按照高炉矿渣化学成分中的碱性氧化物的多少.高炉矿渣又可分为碱性矿渣、中性矿渣和酸性矿渣。
高炉矿渣可采用多种工艺加工成具有多种用途的宝贵材料。加工成矿渣碎石可代替天然砂石,作为混凝土、钢筋混凝土以及500号以下预应力钢筋混凝土骨料,工作温度700℃以下的耐热混凝土骨料,要求耐磨、防滑的高速公路、赛车场、飞机跑道等的辅助材料,铁路道渣、填坑道地和地基垫层填料,污水处理介质等。高炉熔渣用大量水淬冷后,可制成含玻璃体为主的细粒水渣,有潜在的水硬胶凝性能,在水泥熟料、石灰、石膏等激发剂作用下,显示出水硬胶凝性能,是优质水泥原料。我国生产的水泥有70%一80%掺用了不同数量的水渣。水渣还可作保温材科,湿碾和湿磨矿渣,混凝土和道路工程的细骨料;土壤改良材料等。
高炉矿渣的利用途径:高炉矿渣可采用多种工艺加工成具有多种用途的宝贵材料。加工成矿渣碎石可代替天然砂石,作为混凝土、钢筋混凝土以及500号以下预应力钢筋混凝土骨料,工作温度700℃以下的耐热混凝土骨料,要求耐磨、防滑的高速公路、赛车场、飞机跑道等的辅助材料,铁路道渣、填坑道地和地基垫层填料,污水处理介质等。高炉熔渣用大量水淬冷后,可制成含玻璃体为主的细粒水渣,有潜在的水硬胶凝性能,在水泥熟料、石灰、石膏等激发剂作用下,显示出水硬胶凝性能,是优质水泥原料。我国生产的水泥有70%一80%掺用了不同数量的水渣。水渣还可作保温材科,湿碾和湿磨矿渣,混凝土和道路工程的细骨料;土壤改良材料等。
此外,高炉矿渣还可作为铸石、微晶玻璃、肥料、搪瓷、陶瓷等的原料。建筑材料在国民经济中占有重要地位,但它的产量增加是以生产过程中消耗大量的自然资源(如石灰石、粘土等等)为前提,考虑到可持续发展的需求,为了进一步减少自然资源的消耗,保护生态环境,就是充分利用工业废渣,这样做不仅有助于合理利用自然资源,还可满足工程的许多性能的要求,而在混凝土生产中掺入矿渣微粉已成为一种新型建材越来越引起人们的重视。由于矿渣微粉价格低于水泥,掺矿渣微粉搅拌的混凝土,具有经济性,并适合在集中搅拌的商品混凝土使用。矿渣微粉与水泥、石子、沙子搅拌成的混凝土,具有后期强度高、水化热低、耐磨性好,与钢筋粘结力好等优点,特别适用于高层建筑、大坝、机场、大型深基础及水下工程等。
与国内及进口同类产品比较, 立磨具有以下特点:
1)设备能耗低,系统产量高:
2)设备制造技术引进德国公司技术,适用于难磨、高水分的水渣;
3)采用DuTe的入料形式,解决了在微粉生产中堵料现象,提高了生产运转率;
4)采用世界上先进的的LV选粉机,在同类产品中选粉效率高,降
低了单位产品电耗,增加了用户经济效益;
5)磨内易磨损部位进行了耐磨处理,磨内壳体衬板采用耐磨材质,大大提高了耐磨能力,减少了检修次数,保障了设备正常运转率;
6)该产品具有较高的适用性,适用于多种原料情况,可应用于高水分矿渣原料,同时对于太干物料,通过设备配套的喷水装置,进行喷水处理,稳定物料层,使设备平稳运行。
7)配套外购件采用国内高水平配置,选粉机传动系统采用FLENDER或SEW产品;主减速机采用南高齿;所有液压、润滑系统采用川润、南润产品,电机采用湘电、兰电产品,保证设备正常运转;
8)返回料系统采用单Du形式,避免与来料混合入磨,减少对粉磨的影响;
9)磨盘设计采用DuTe结构,可实现排除大块硬质物料,较少对磨机的损坏;
10)引进德国公司的专业焊接技术,对辊套、选粉机叶片进行专业堆焊补焊,保证粉磨效果,提高成品率;
11)磨机风环采用大片安装形式,降低安装及检修难度,保证安装质量,保障设备可靠性;
12)液压系统全部采用大直径液压缸,保证设备运行稳定,使用可靠;

第二部分 年产60万吨和30万吨矿渣生产线对比说明
一、生产线投资估算对比
|
序号 |
分项名称 |
年产60万吨系统 (万元) |
年产30万吨系统 (万元) |
|
1 |
设备及工具器具 (含非标件、电气备) |
3100 |
1750 |
|
2 |
土建费 |
800 |
600 |
|
3 |
安装费 |
450 |
300 |
|
|
合计 |
4350 |
2650 |
1、不包括土地费用、办公设施、配供电费用。
2、由于项目现场情况和设计方案不同,实际投资会有调整。
|
序号 |
分项名称 |
年产60万吨系统成本 (元/吨) |
年产30万吨系统成本 (元/吨) |
备注 |
|
1 |
原料成本 |
80 |
80 |
江苏地区价格 |
|
2 |
电耗成本 |
34.08 |
37.63 |
|
|
3 |
燃气成本 |
12 |
13 |
|
|
4 |
配件成本 |
3 |
4 |
|
|
5 |
税务成本 |
3 |
3 |
|
|
6 |
工资成本 |
2 |
4 |
|
|
|
合计 |
134.08 |
141.63 |
成本降低 7.55元/吨 |
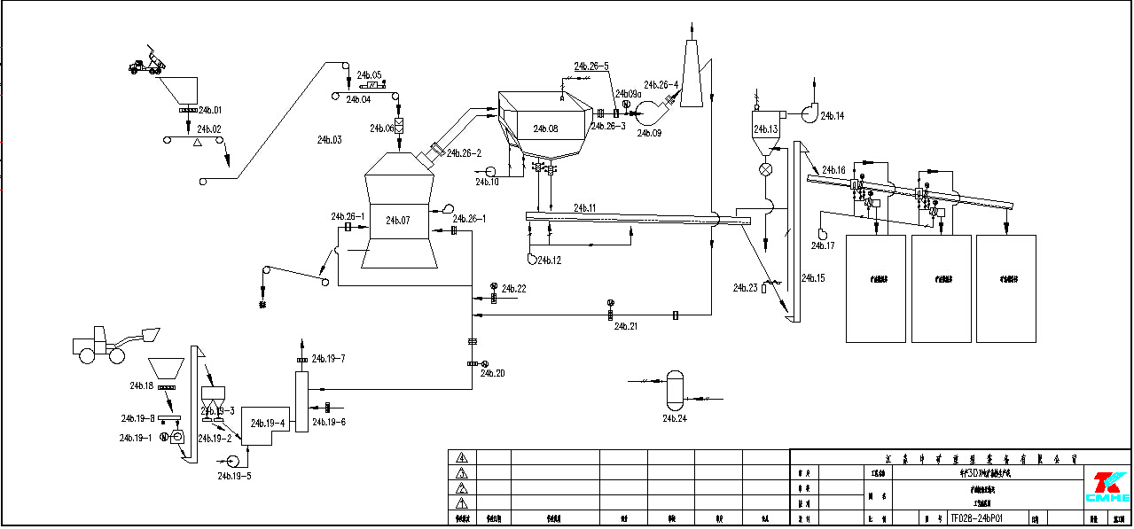
30万吨设备表
|
编号 |
技术参数 |
数量 |
生产厂家 |
|
1 |
振动筛 |
1 |
中矿重装 |
|
|
电动机(7.5KW) |
|
|
|
2 |
棒型闸门 |
1 |
中矿重装 |
|
3 |
入料大倾角皮带机或长皮带机 |
1 |
中矿重装 |
|
4 |
棒型闸门 |
1套 |
中矿重装 |
|
5 |
调速皮带秤 |
3套 |
中矿重装 |
|
6 |
入磨皮带机(TD75型,槽型) |
1 |
中矿重装 |
|
7 |
永磁自卸式除铁器 |
2 |
中矿重装 |
|
8 |
返料斗式提升机(可变频调速) |
1 |
中矿重装 |
|
9 |
螺旋输送机(链传动悬臂结构) |
1 |
中矿重装 |
|
10 |
辊式磨 |
1 |
中矿重装 |
|
|
型号:SHMS35.2 |
|
|
|
10.1 |
主传动电机 |
1 |
兰电 |
|
10.2 |
主减速机 |
1 |
金腾 |
|
10.3 |
分离器电机 |
1 |
|
|
10.4 |
分离器减速器 |
1 |
|
|
10.5 |
密封空气风机 |
1 |
|
|
11 |
返料皮带机(TD75型,槽型) |
1 |
中矿重装 |
|
12 |
气箱脉冲袋收尘器(20个室) |
1 |
中矿重装 |
|
12.1 |
空气输送斜槽 |
2 |
|
|
12.2 |
重力双道翻板阀 |
2 |
|
|
13 |
排风机 |
1 |
中矿重装 |
|
14 |
防雨型空气输送斜槽 |
1 |
中矿重装 |
|
15 |
斜槽风机(顺0º) |
1 |
中矿重装 |
|
16 |
防雨型空气输送斜槽 |
1 |
中矿重装 |
|
17 |
斜槽风机(顺0º) |
1 |
|
|
18 |
TGD胶带斗式提升机 |
1 |
中矿重装 |
|
19 |
高效气箱式脉冲布袋收尘器 |
2套 |
中矿重装 |
|
20 |
煤破碎机 |
1 |
中矿重装 |
|
21 |
NSE斗式提升机 |
1 |
中矿重装 |
|
22 |
煤仓、煤斗容量:8m3 |
1 |
中矿重装 |
|
23 |
圆盘给料机给料机 |
1套 |
中矿重装 |
|
24 |
沸腾炉 |
1 |
中矿重装 |
|
|
型号:FR8 |
|
高铝耐火砖 |
|
25 |
鼓风机 |
1 |
中矿重装 |
|
25.1 |
变频器75KW |
1 |
|
|
26 |
手动配风阀 |
1 |
中矿重装 |
|
27 |
电动蝶阀(用于冷风阀) |
1 |
中矿重装 |
|
28 |
高温电动调节百叶阀(用于热风总管) |
1 |
中矿重装 |
|
29 |
柔性膨胀节 |
1 |
中矿重装 |
|
30 |
电磁碟阀DN200(引入高压空气清灰) |
2 |
中矿重装 |
|
31 |
空气压缩机 |
2 |
中矿重装 |








.jpg)


